HOME
中文版
ENGLISH
企业慨述
新闻中心
质量体系
优质产品
丰富的设计
销售网络
优质合作客户
人才战略
联系我们
新闻中心
企业动态
行业资讯
企业动态
返回>>
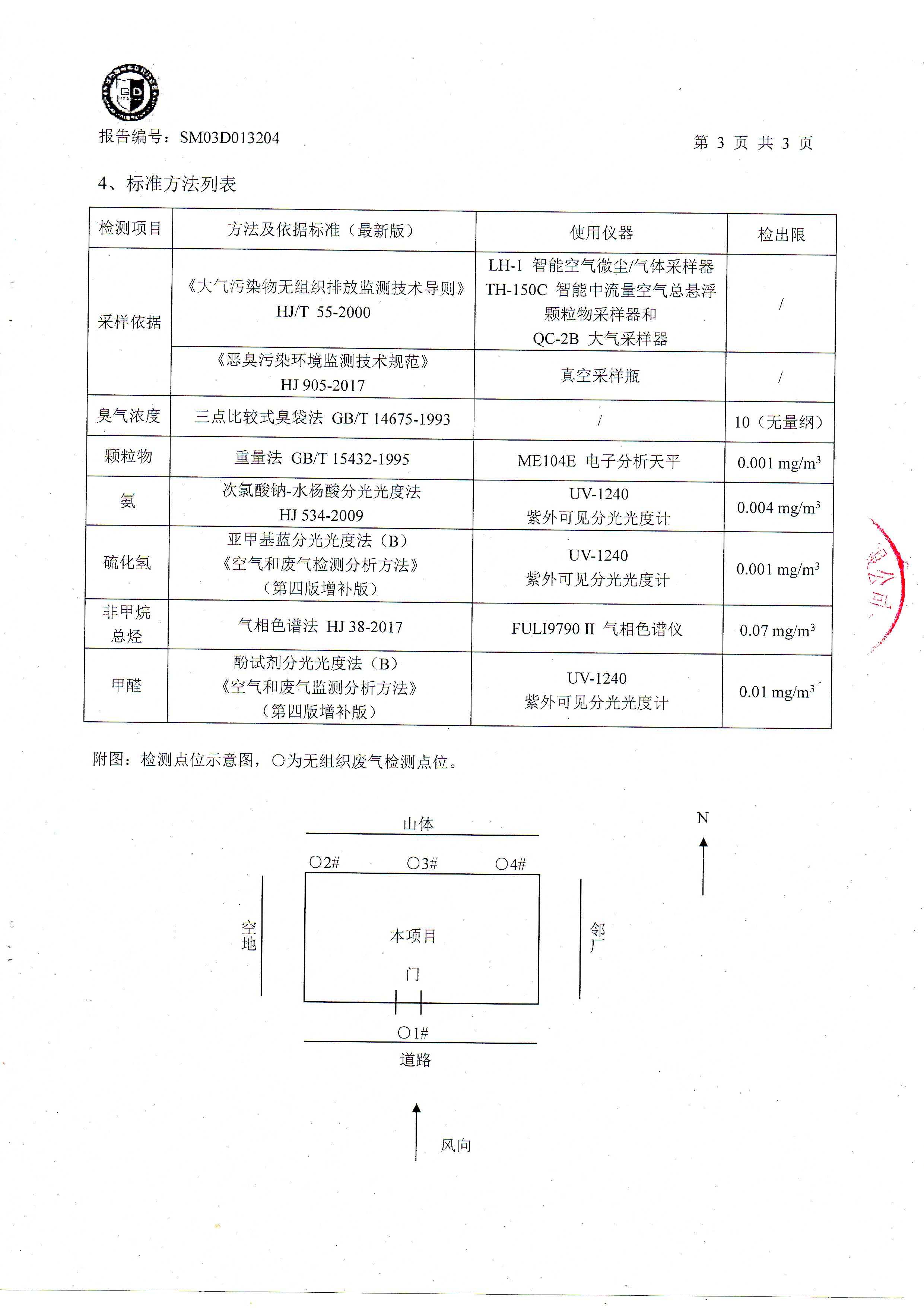
清远万家丽高新科技有限公司对周边居民环境影响监测信息公开一览
发布日期:2019年7月11日
无组织废气检测报告
[上一篇] 万家丽与时尚相约法国巴黎面料展
[下一篇] 烈烈夏日情,太平工会送“清凉”
(C) 2012-2020 万家丽公司版权所有. 公安部备案号:
44180302000039
粤ICP备11037753号