HOME
中文版
ENGLISH
企业慨述
新闻中心
质量体系
优质产品
丰富的设计
销售网络
优质合作客户
人才战略
联系我们
新闻中心
企业动态
行业资讯
企业动态
返回>>
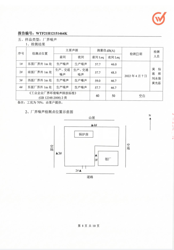
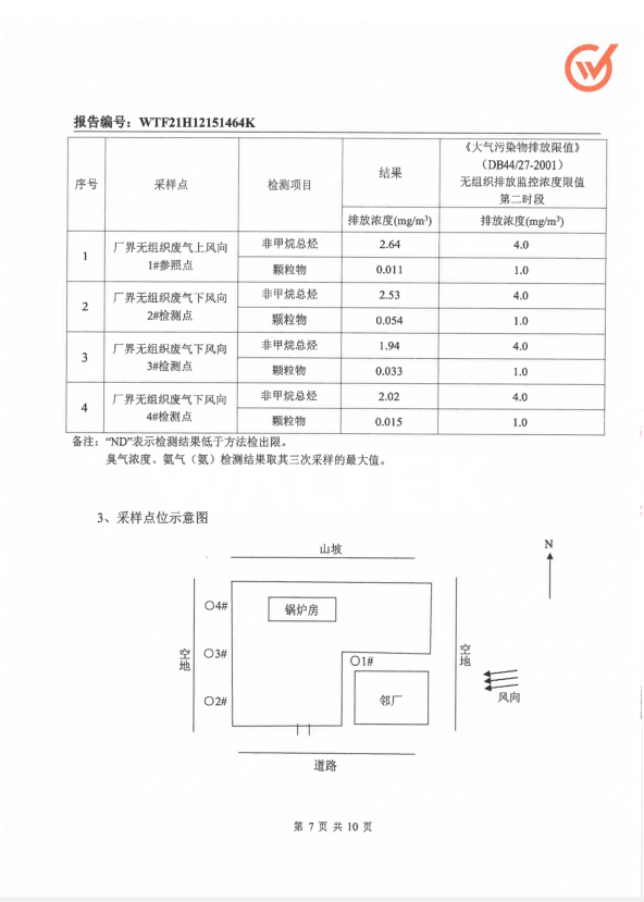
清远万家丽高新科技有限公司2022年4月三废(有+无组织)监测报告
发布日期:2022年4月18日
[上一篇] 清远万家丽高新科技有限公司2022年3月份废水、废气监测报告
[下一篇] 清远万家丽高新科技有限公司2022年5月份废水、废气监测报告
(C) 2012-2020 万家丽公司版权所有. 公安部备案号:
44180302000039
粤ICP备11037753号